Published:2011/6/15 5:08:00 Author:John | Keyword: voice filter | From:SeekIC

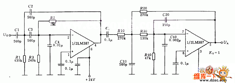
Serial voice filter with a range of voice frequency circuit is shown in the following figure. And its frequency ranges from 360Hz to 3KHz.
Reprinted Url Of This Article:
http://www.seekic.com/circuit_diagram/555_Circuit/LM387_voice_filter_circuit.html
Print this Page | Comments | Reading(3)
Code: