Published:2009/7/16 3:35:00 Author:Jessie | From:SeekIC

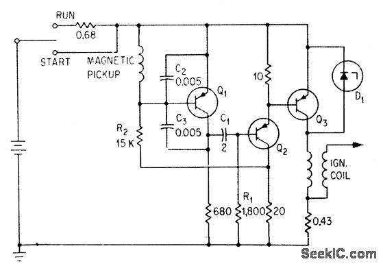
Distributor contact points are replaced by magnetic pickup that delivers timed pulses to trigger transistor Q1, driver Q2 and output transistor Q3, with latter controlling primary current through ignition coil. Zenet diode D1 clips voltages exceeding voltage rating of Q3.-S.B. Gray, Home and Auto Controls, Electronics, 36:19, p 52-56.
Reprinted Url Of This Article:
http://www.seekic.com/circuit_diagram/555_Circuit/MAGNET_ACTUATED_IGNITION.html
Print this Page | Comments | Reading(3)
Code: