Published:2011/6/21 0:17:00 Author:John | Keyword: intermittent wiper cleaner | From:SeekIC

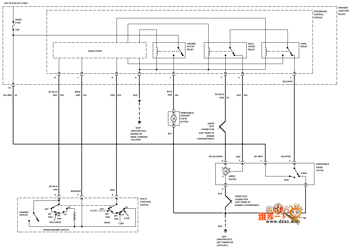
Mazda 94THUNDERB intermittent wiper cleaner circuit is shown.
Reprinted Url Of This Article:
http://www.seekic.com/circuit_diagram/555_Circuit/Mazda_94THUNDERB_intermittent_wiper_cleaner_circuit.html
Print this Page | Comments | Reading(3)
Code: