Published:2011/6/21 0:35:00 Author:John | Keyword: dashboard | From:SeekIC

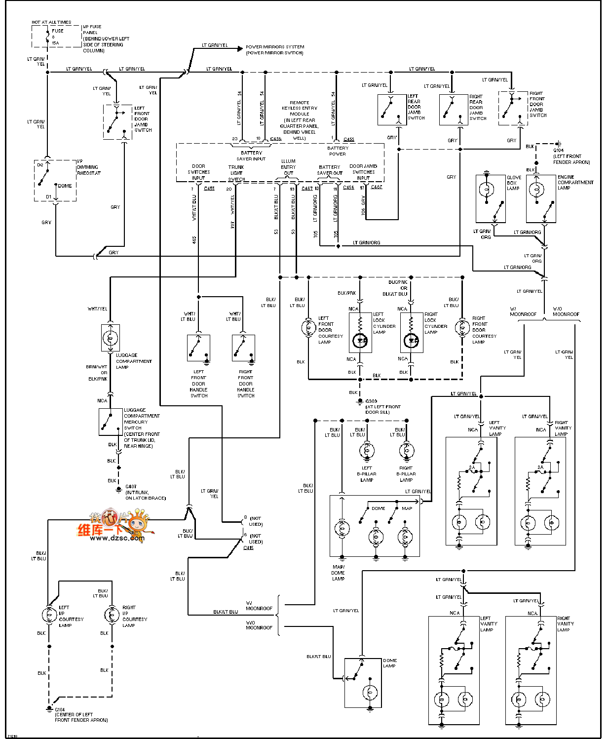
Mazda 95TAURUS (3.2L, SHO) dashboard circuit is shown.
Reprinted Url Of This Article:
http://www.seekic.com/circuit_diagram/555_Circuit/Mazda_95TAURUS_32L_SHO_dashboard_circuit.html
Print this Page | Comments | Reading(3)
Code: