Published:2011/6/21 0:38:00 Author:John | Keyword: charging system | From:SeekIC

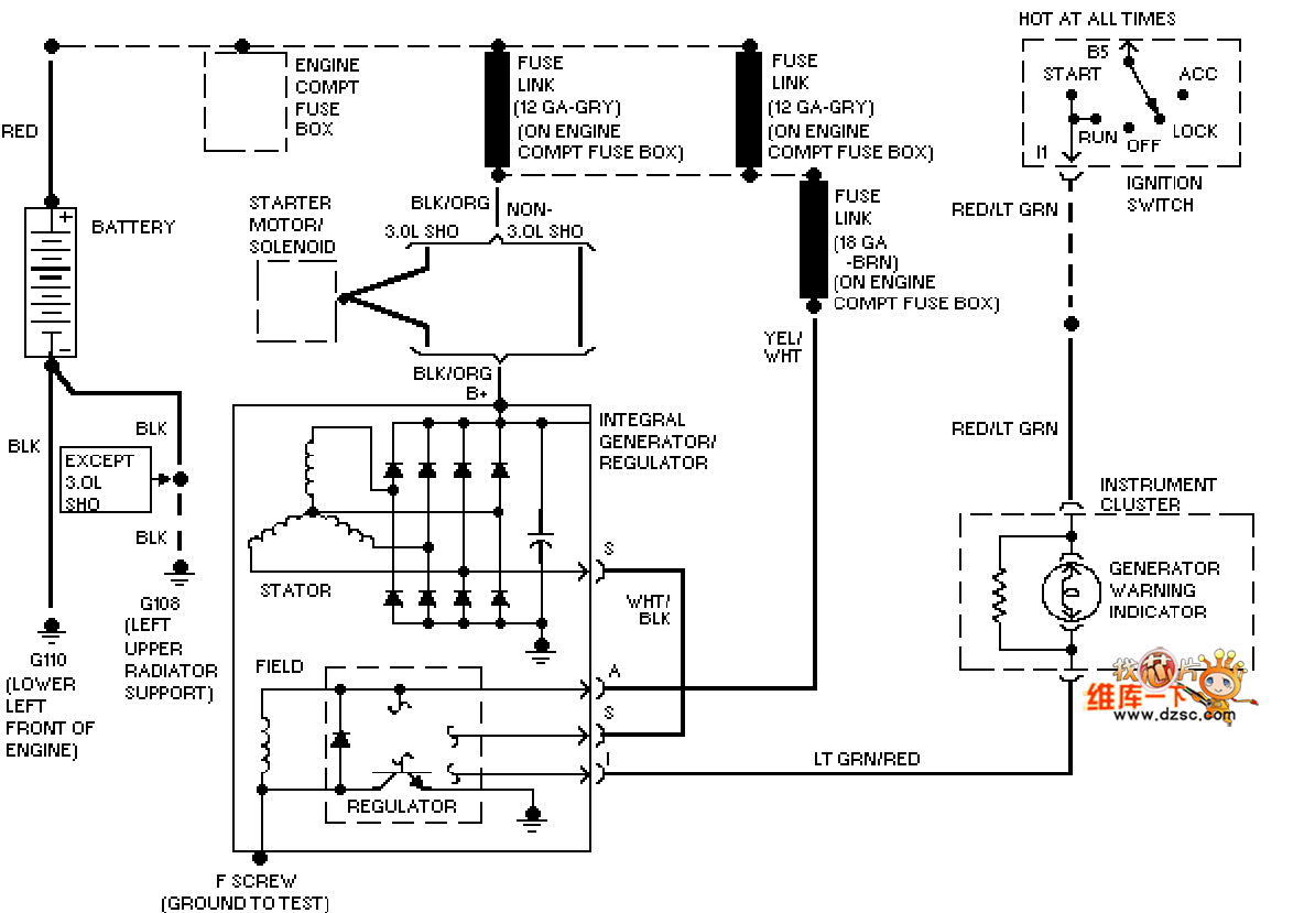
Mazda 95TAURUS (3.8L) charging system circuit is shown.
Reprinted Url Of This Article:
http://www.seekic.com/circuit_diagram/555_Circuit/Mazda_95TAURUS_38L_charging_system_circuit.html
Print this Page | Comments | Reading(3)
Code: