Published:2011/6/21 0:39:00 Author:John | Keyword: remote door lock | From:SeekIC

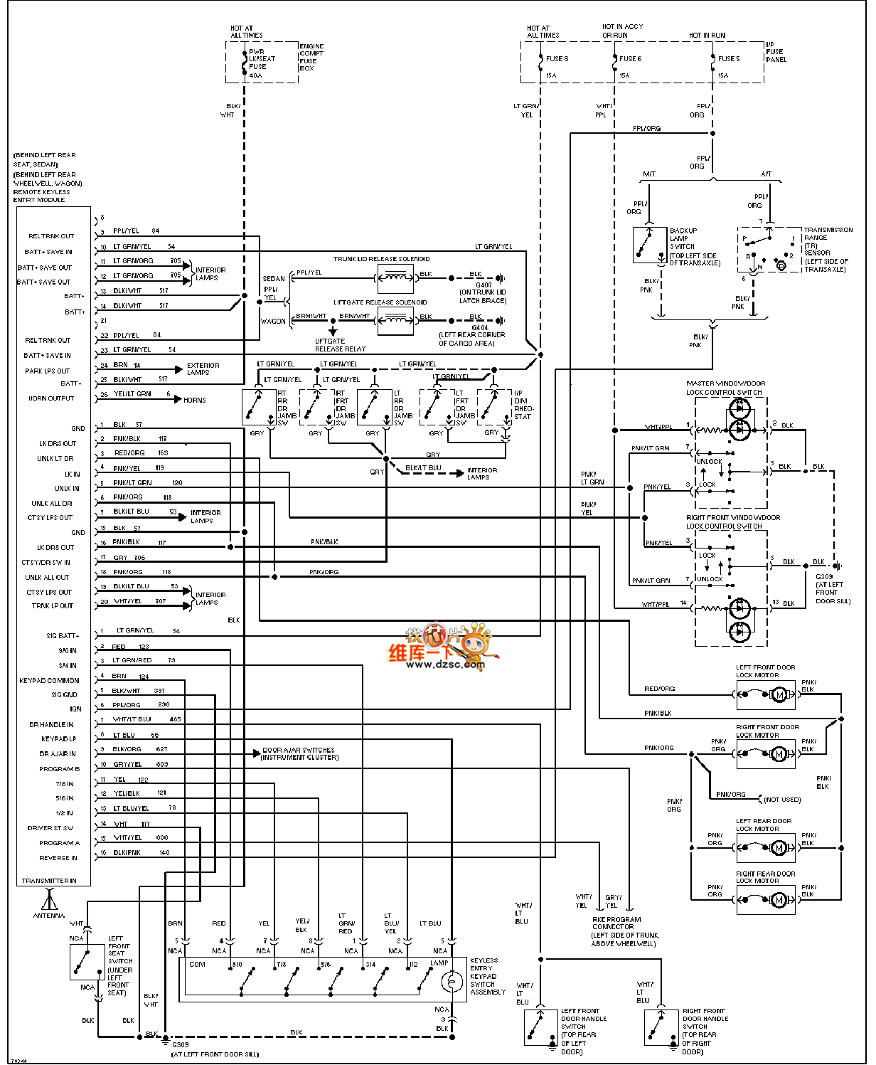
Mazda 95TAURUS remote door lock circuit is shown.
Reprinted Url Of This Article:
http://www.seekic.com/circuit_diagram/555_Circuit/Mazda_95TAURUS_remote_door_lock_circuit.html
Print this Page | Comments | Reading(3)
Code: