Published:2011/6/21 0:50:00 Author:John | Keyword: automatic and fog lights | From:SeekIC

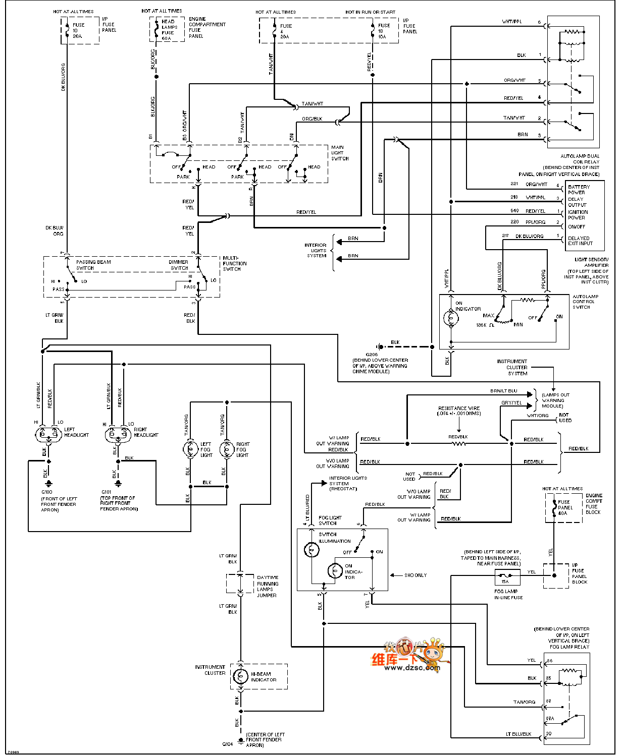
Mazda 95TAURUS (without DRL) automatic and fog lights circuit is shown.
Reprinted Url Of This Article:
http://www.seekic.com/circuit_diagram/555_Circuit/Mazda_95TAURUS_without_DRL_automatic_and_fog_lights_circuit.html
Print this Page | Comments | Reading(3)
Code: