Published:2011/7/4 0:41:00 Author:John | Keyword: ABS | From:SeekIC

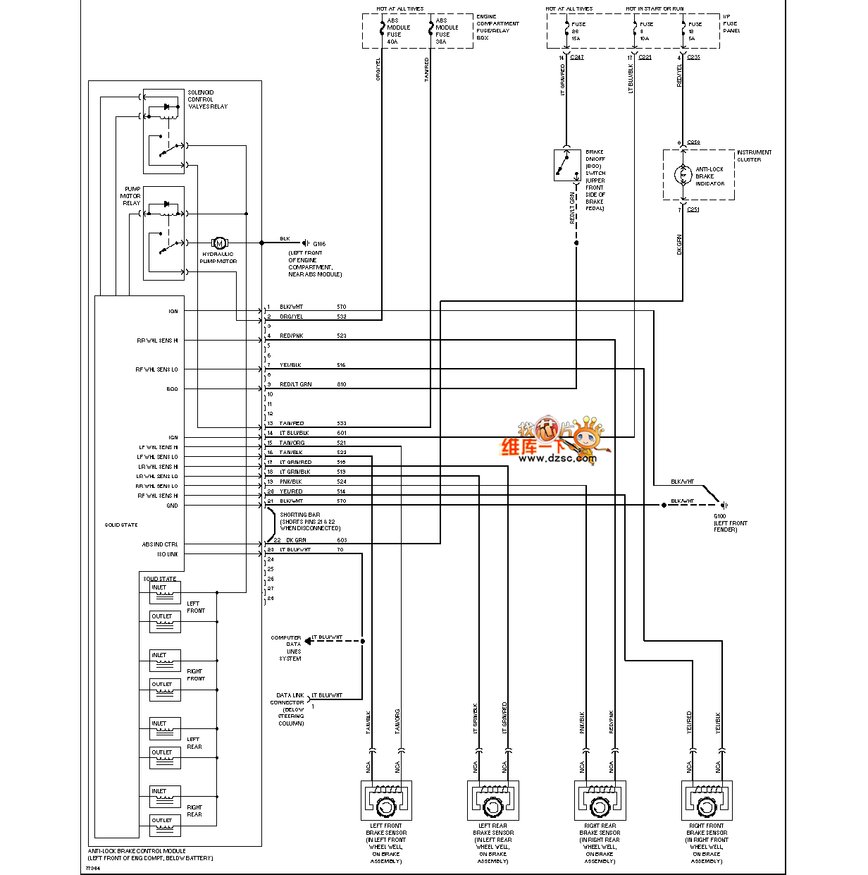
Mazda 96TAURUS ABS circuit is shown.
Reprinted Url Of This Article:
http://www.seekic.com/circuit_diagram/555_Circuit/Mazda_96TAURUS_ABS_circuit.html
Print this Page | Comments | Reading(3)
Code: