Published:2011/6/21 0:32:00 Author:John | Keyword: Ground distribution | From:SeekIC

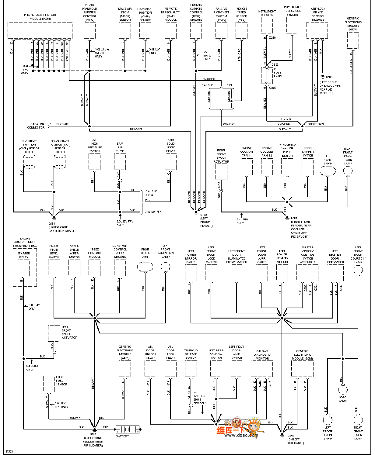
Mazda 96TAURUS Ground distribution circuit is shown.
Reprinted Url Of This Article:
http://www.seekic.com/circuit_diagram/555_Circuit/Mazda_96TAURUS_Ground_distribution_circuit.html
Print this Page | Comments | Reading(3)
Code: