Published:2011/6/21 0:30:00 Author:John | Keyword: electric roof | From:SeekIC

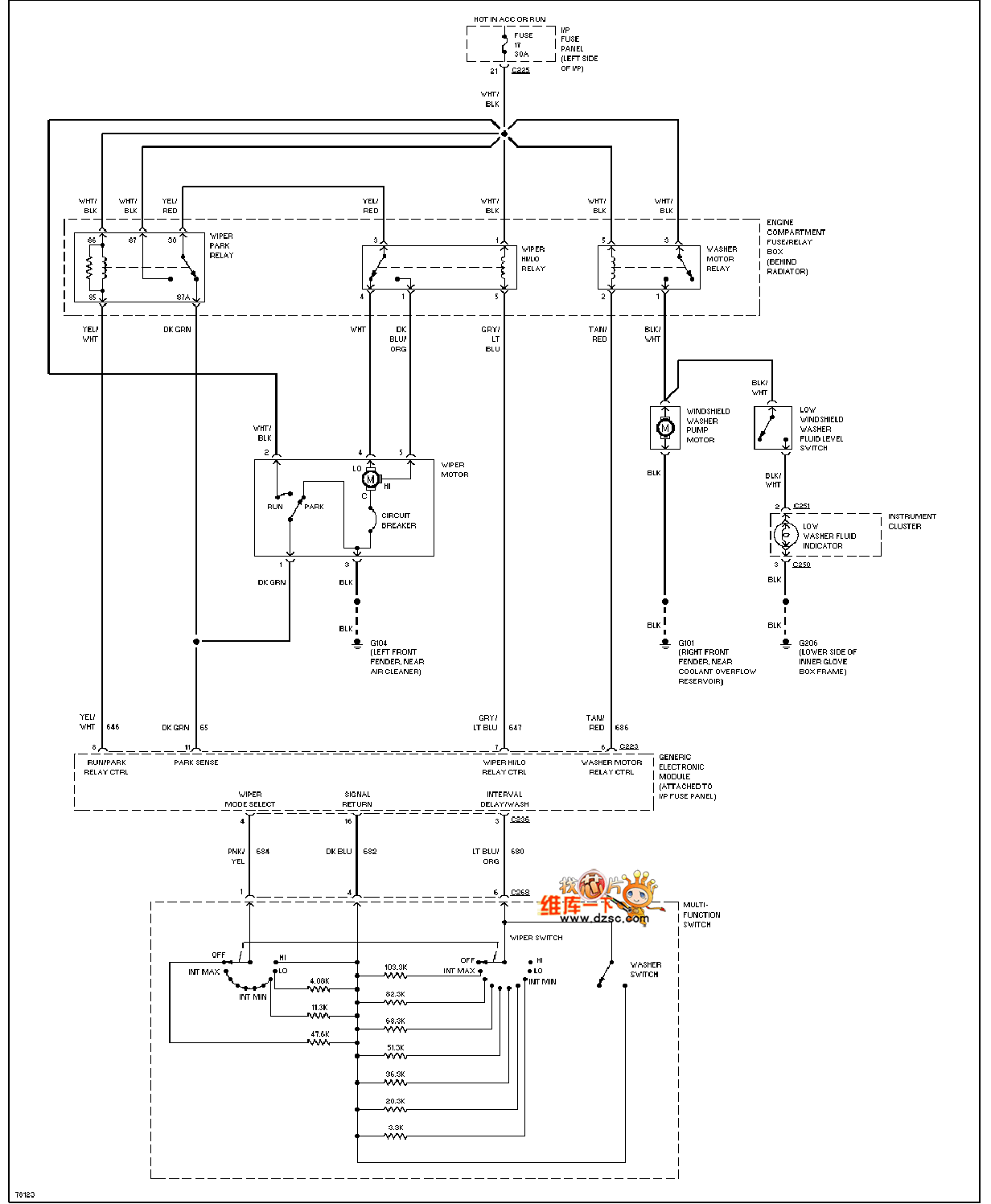
Mazda 96TAURUS electric roof circuit is shown.
Reprinted Url Of This Article:
http://www.seekic.com/circuit_diagram/555_Circuit/Mazda_96TAURUS_electric_roof_circuit.html
Print this Page | Comments | Reading(3)
Code: