Published:2011/6/21 0:29:00 Author:John | Keyword: gated controlling light | From:SeekIC

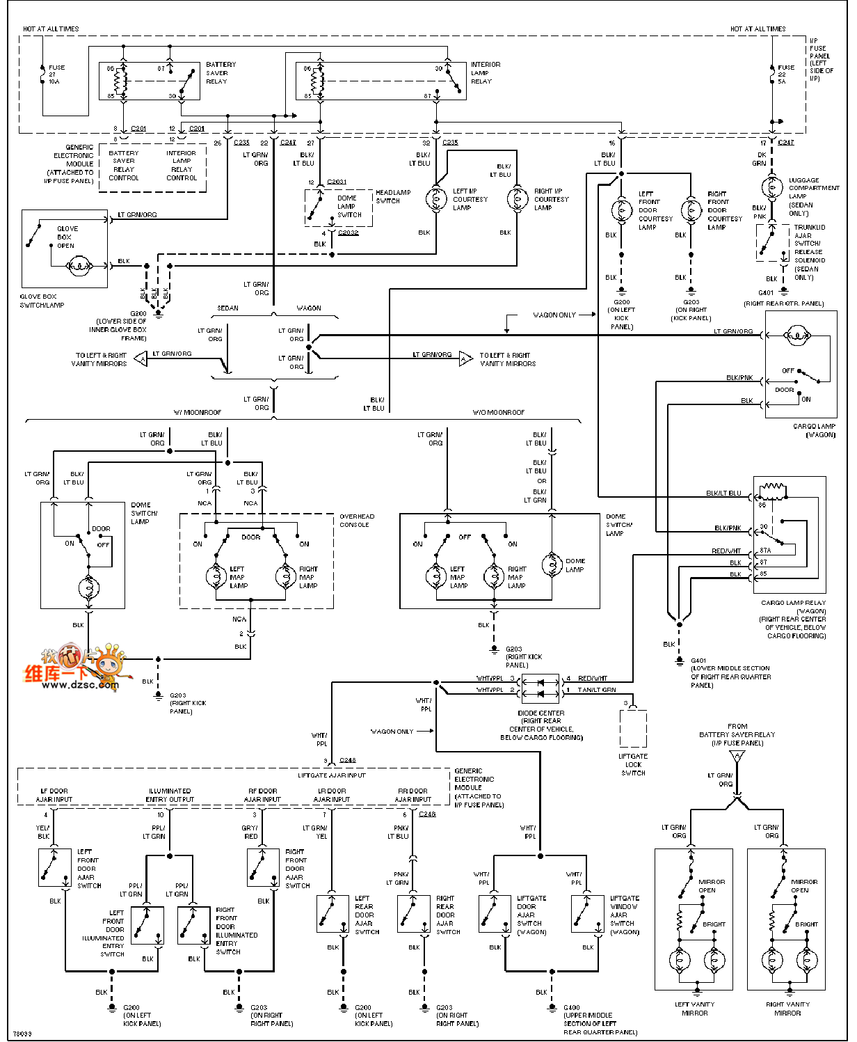
Mazda 96TAURUS gate controlling light circuit is shown.
Reprinted Url Of This Article:
http://www.seekic.com/circuit_diagram/555_Circuit/Mazda_96TAURUS_gate_controlling_light_circuit.html
Print this Page | Comments | Reading(3)
Code: