Published:2014/2/25 21:16:00 Author: | Keyword: Mazda car lamp circuit diagram, | From:SeekIC

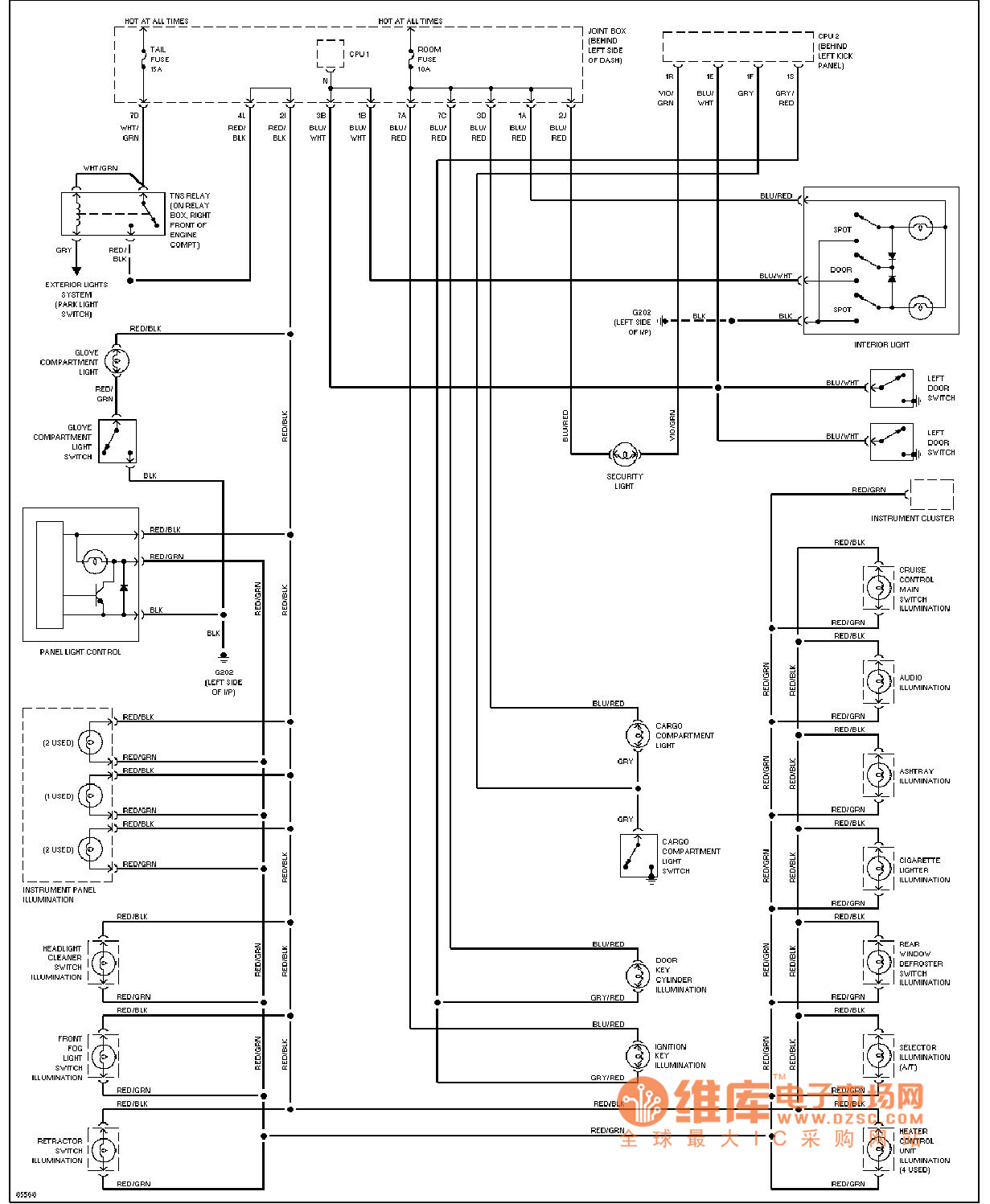
Mazda car lamp circuit diagram as shown
Reprinted Url Of This Article:
http://www.seekic.com/circuit_diagram/555_Circuit/Mazda_car_lamp_circuit_diagram.html
Print this Page | Comments | Reading(3)
Code: