Published:2014/2/26 20:22:00 Author: | Keyword: Mazda external modulation circuit diagram, | From:SeekIC

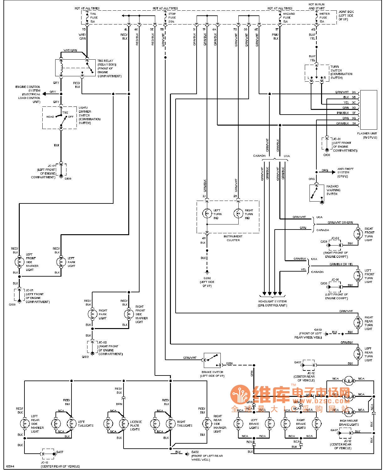
Mazda external light circuit diagram as shown
Reprinted Url Of This Article:
http://www.seekic.com/circuit_diagram/555_Circuit/Mazda_external_modulation_circuit_diagram.html
Print this Page | Comments | Reading(3)
Code: