Published:2014/2/25 21:18:00 Author: | Keyword: Mazda headlight circuit diagram (no DRL), | From:SeekIC

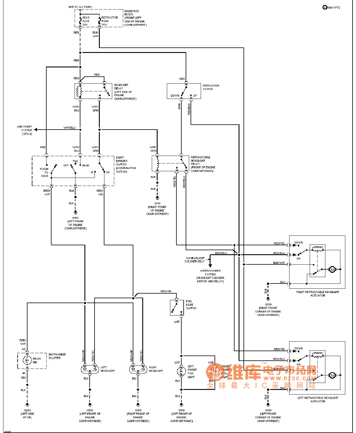
Mazda headlamps circuit diagram as shown (no DRL)
Reprinted Url Of This Article:
http://www.seekic.com/circuit_diagram/555_Circuit/Mazda_headlight_circuit_diagram_no_DRL.html
Print this Page | Comments | Reading(3)
Code: