Published:2014/3/3 20:11:00 Author: | Keyword: Mazda headlight cleaners circuit diagram, | From:SeekIC

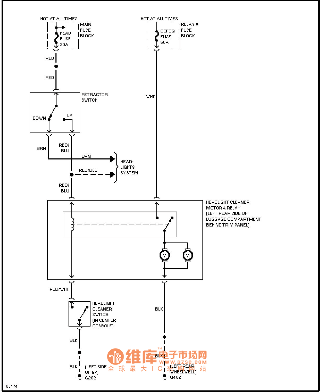
Mazda headlight cleaning device circuit diagram as shown
Reprinted Url Of This Article:
http://www.seekic.com/circuit_diagram/555_Circuit/Mazda_headlight_cleaners_circuit_diagram.html
Print this Page | Comments | Reading(3)
Code: