Published:2014/2/26 20:23:00 Author: | Keyword: Mazda mist eliminator circuit diagram, | From:SeekIC

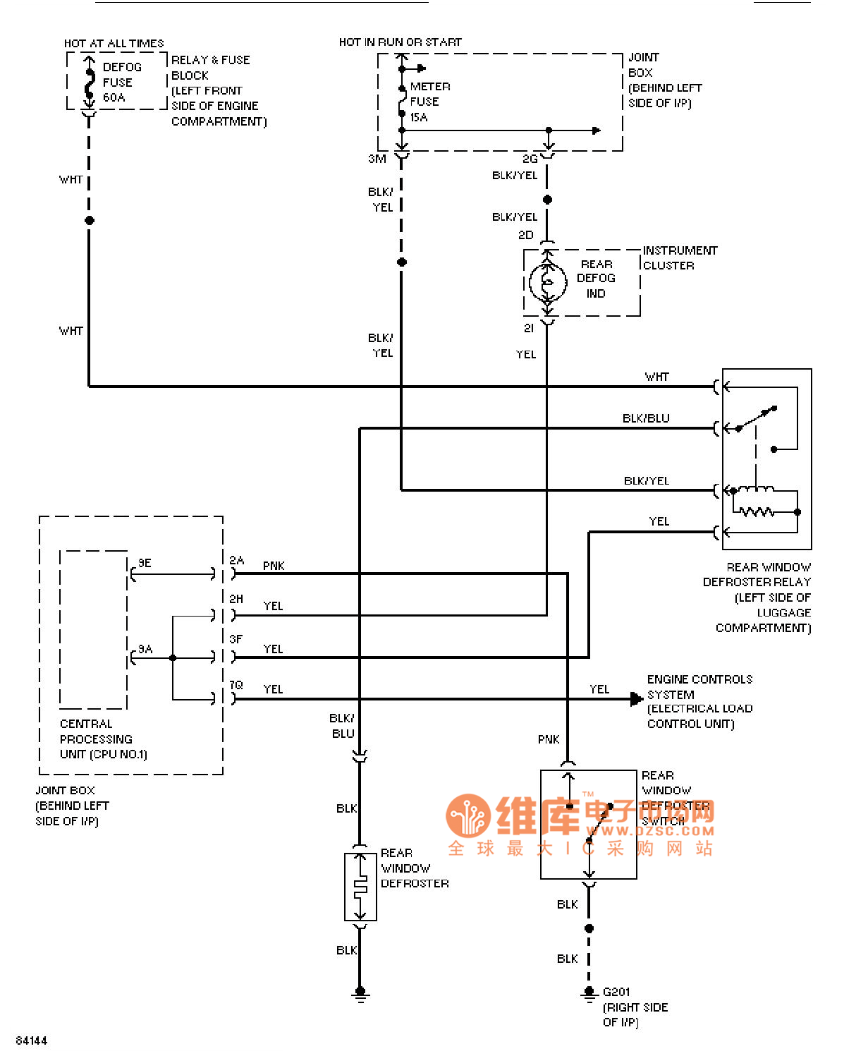
A circuit diagram as shown Mazda demister
Reprinted Url Of This Article:
http://www.seekic.com/circuit_diagram/555_Circuit/Mazda_mist_eliminator_circuit_diagram.html
Print this Page | Comments | Reading(3)
Code: