Published:2014/2/26 20:27:00 Author: | Keyword: Mazda security circuit diagram, | From:SeekIC

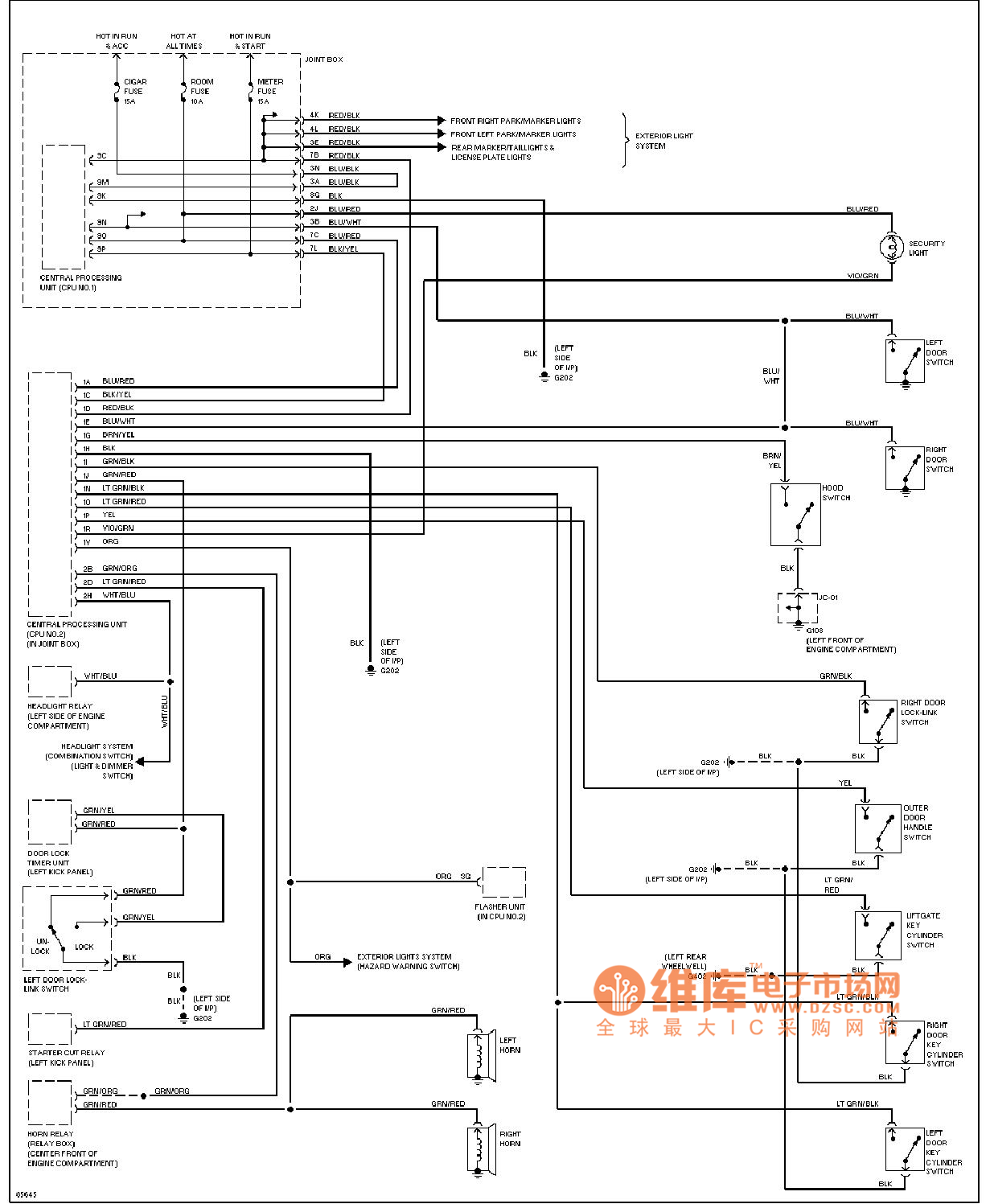
Mazda anti-theft circuit diagram as shown
Reprinted Url Of This Article:
http://www.seekic.com/circuit_diagram/555_Circuit/Mazda_security_circuit_diagram.html
Print this Page | Comments | Reading(3)
Code: