Published:2011/8/4 20:00:00 Author:Rebekka | Keyword: Multi-function , integrated security device | From:SeekIC

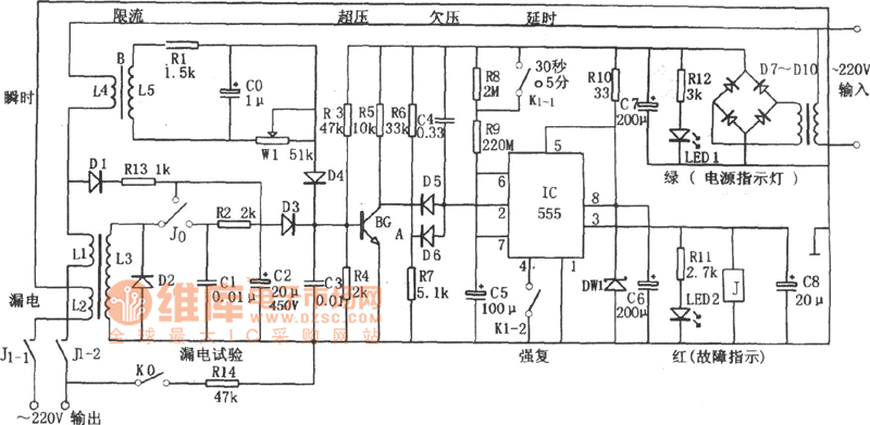
Leakage detection circuit is composed of the L1, L2, L3, J1 and so on. The J1 is the leakage detection coil, the relay power from the JZ7-44 isconverted. Under normal circumstances, the current size on the L1, L2 are the same. The phases are contrast. There is no leakage voltage signal in L3. When there is electric shock or leakage occurs, the L3 balance will be destroyed due to the magnetic field induces a voltage signal leakage.
The security devicecan achieve the functions ofleakage protection, overvoltage and undervoltage protection, automatic reset delay (5 minutes or 30 seconds) and so on.
Reprinted Url Of This Article:
http://www.seekic.com/circuit_diagram/555_Circuit/Multi_function_integrated_security_device_circuit_diagram.html
Print this Page | Comments | Reading(3)
Code: