Published:2011/7/15 5:39:00 Author:Sue | Keyword: Nissan, Power Supply | From:SeekIC

Reprinted Url Of This Article:
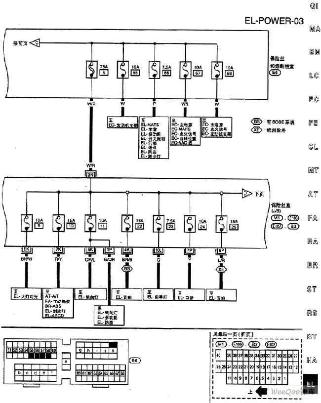
http://www.seekic.com/circuit_diagram/555_Circuit/Nissan_A32_EL_Power_Supply_Circuit_4.html
Print this Page | Comments | Reading(3)
Code: