Published:2011/4/18 19:59:00 Author:Ecco | Keyword: Pocket , electronic, timing , hypnotic , massager , 555 | From:SeekIC

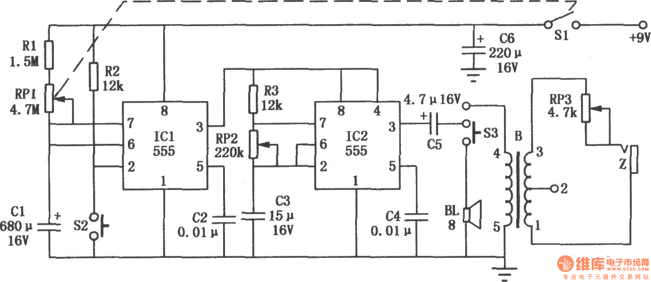
The chart shows the pocket electronic timing hypnotic massager composed of 555, it can satisfy leisure health needs of people. The circuit is composed of 3 parts: timer circuits, hypnotic decoder circuit, massager circuit.
Reprinted Url Of This Article:
http://www.seekic.com/circuit_diagram/555_Circuit/Pocket_electronic_timing_hypnotic_massager_composed_of_555.html
Print this Page | Comments | Reading(3)
Code: