Published:2009/7/1 20:17:00 Author:May | From:SeekIC

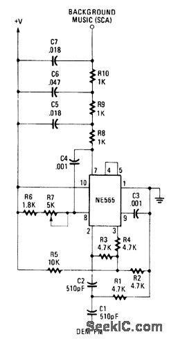
The circuit uses a Signetics NE565 PLL (Phase-Locked Loop) as a detector to recover the SCA signal. The input to the SCA decoder circuit is connected to an FM receiver at a point between the FM discriminator and the de-emphasis filter network. The PLL, IC1, is tuned to 67 kHz by R7, a 5 K potentiometer. Tuning need not be exact since the circuit will seek and lock onto the subcarrier. The demodulated signal from the FM receiver is fed to the input of the 565 through a high-pass filter consisting of two 510 pF capacitors (C1 and C2) and a 4.7 K resistor (R1). Its purpose is to serve as a coupling network and to attenuate some of the main channel spill. The demodulated SCA signal at pin 7 passes through a three-stage de-emphasis network as shown. The resulting signal is around 50 mV, with the response extending to around 7 kHz.
Reprinted Url Of This Article:
http://www.seekic.com/circuit_diagram/555_Circuit/SCA_DECODER.html
Print this Page | Comments | Reading(3)
Code: