Published:2011/8/11 5:43:00 Author:Sue | Keyword: Power Supply | From:SeekIC

Reprinted Url Of This Article:
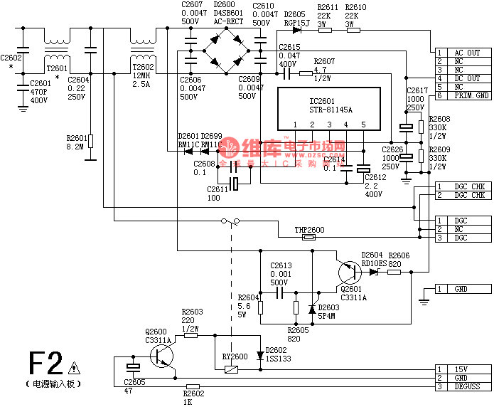
http://www.seekic.com/circuit_diagram/555_Circuit/SONY_G3F_K_Power_Supply_Circuit_1.html
Print this Page | Comments | Reading(3)
Code: