Published:2009/6/17 1:38:00 Author:May | From:SeekIC

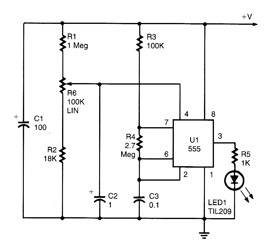
When supply voltage exceeds a preset level, the 555 oscillates, and flashes LED1. The flash rate is controlled by varying C3.
Reprinted Url Of This Article:
http://www.seekic.com/circuit_diagram/555_Circuit/SUPPLY_VOLTAGE_MINITOR.html
Print this Page | Comments | Reading(3)
Code: