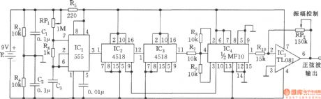
Published:2011/4/12 3:38:00 Author:Ecco | Keyword: Sine wave generator , 555 | From:SeekIC

Reprinted Url Of This Article:
http://www.seekic.com/circuit_diagram/555_Circuit/Sine_wave_generator_circuit555.html
Print this Page | Comments | Reading(3)
Code: