Published:2011/6/5 22:10:00 Author:John | Keyword: Single remote control | From:SeekIC

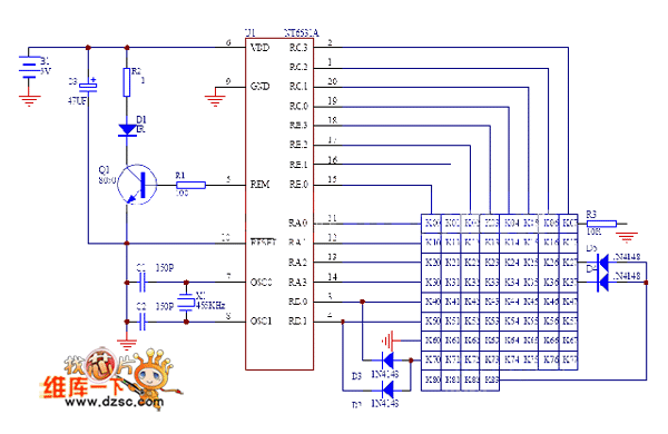
Single remote control (multi-coding) circuit is shown below.
Reprinted Url Of This Article:
http://www.seekic.com/circuit_diagram/555_Circuit/Single_remote_control_multi_coding_circuit.html
Print this Page | Comments | Reading(3)
Code: