Published:2011/7/15 20:46:00 Author:Joyce | Keyword: TEANA , Alarm , Buzzer, Instruction | From:SeekIC

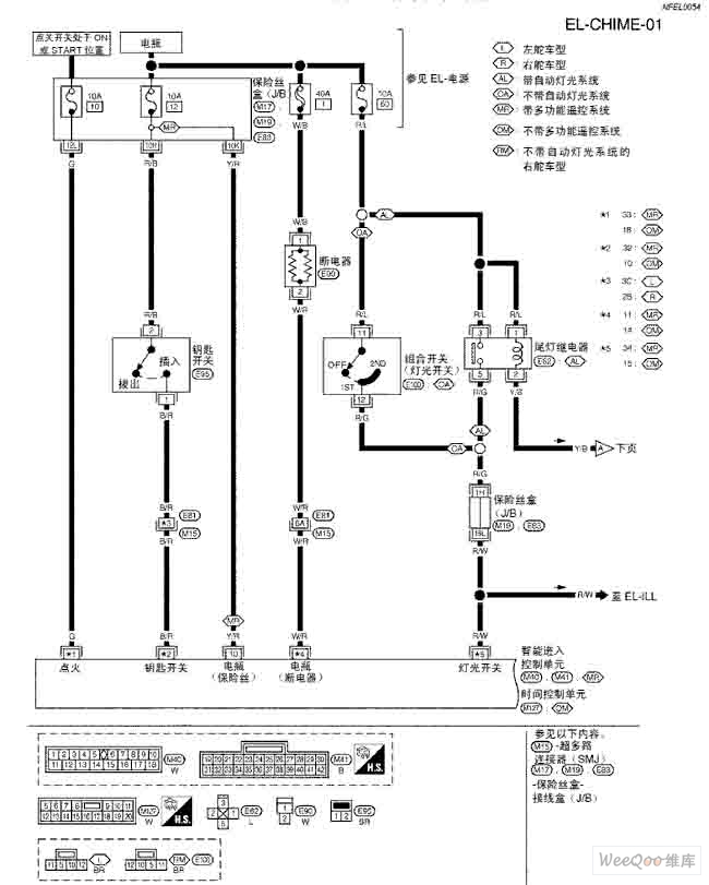
TEANA A33-EL Alarm Buzzer Instruction and Circuit
Reprinted Url Of This Article:
http://www.seekic.com/circuit_diagram/555_Circuit/TEANA_A33_EL_Alarm_Buzzer_Instruction_and_Circuit_One.html
Print this Page | Comments | Reading(3)
Code: