Published:2011/7/15 2:27:00 Author:Joyce | Keyword: TEANA , Door Mirror | From:SeekIC

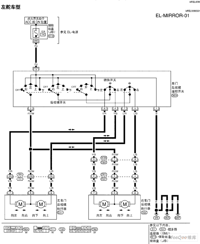
TEANA A33-EL Door Mirror Circuit
Reprinted Url Of This Article:
http://www.seekic.com/circuit_diagram/555_Circuit/TEANA_A33_EL_Door_Mirror_Circuit_One.html
Print this Page | Comments | Reading(3)
Code: