Published:2011/7/15 2:09:00 Author:Joyce | Keyword: TEANA , Multifunctional , Remote Control System | From:SeekIC

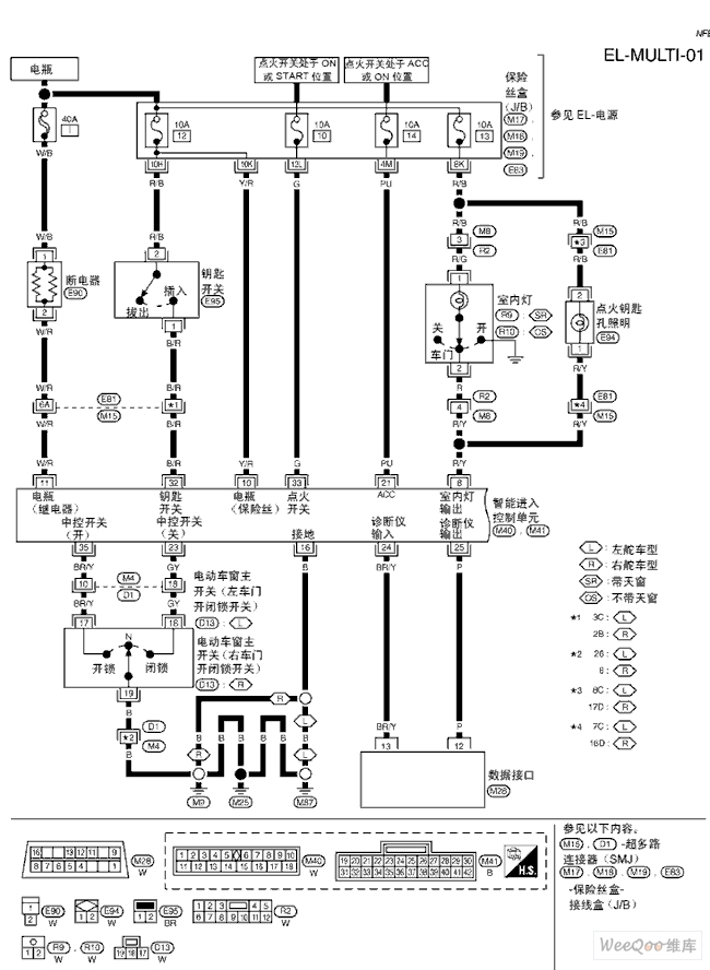
TEANA A33-EL Multifunctional Remote Control System Circuit
Reprinted Url Of This Article:
http://www.seekic.com/circuit_diagram/555_Circuit/TEANA_A33_EL_Multifunctional_Remote_Control_System_Circuit_One.html
Print this Page | Comments | Reading(3)
Code: