Published:2011/7/15 2:36:00 Author:Joyce | Keyword: TEANA , Sound , Antenna | From:SeekIC

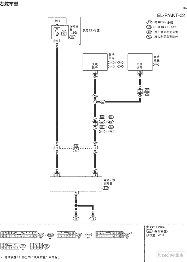
TEANA A33-EL Sound Antenna Circuit
Reprinted Url Of This Article:
http://www.seekic.com/circuit_diagram/555_Circuit/TEANA_A33_EL_Sound_Antenna_Circuit_Two.html
Print this Page | Comments | Reading(3)
Code: