Published:2011/7/20 3:28:00 Author:Joyce | Keyword: TIIDA, AV , Navigation System | From:SeekIC

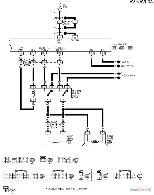
TIIDA-AV Navigation System Circuit
Reprinted Url Of This Article:
http://www.seekic.com/circuit_diagram/555_Circuit/TIIDA_AV__Navigation_System_Circuit_Three.html
Print this Page | Comments | Reading(3)
Code: