Published:2011/5/9 3:07:00 Author:Borg | Keyword: Engine, Emission Control System | From:SeekIC

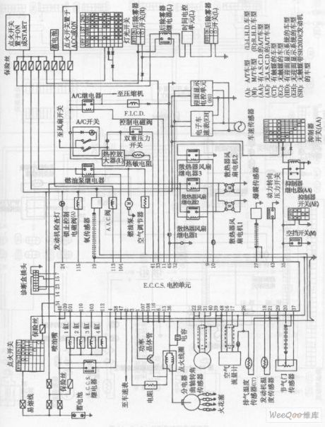
(A):Model A/T (L):Model L.H.D (M):Model M/T(R):Model R.H.D
(AA):Model A/T with A.S.C.D (AE): Model A/T without A.S.C.D
(CT):the model with a catalyst
(EC): the model without a catalyst
(HD):the model with a head-on display system
(EH): the model without a head-on display system
(SR):the model without a catalyst but with a SR20DE engine
The Engine and Emission Control System of the Bluebird Car
Reprinted Url Of This Article:
http://www.seekic.com/circuit_diagram/555_Circuit/The_Engine_and_Emission_Control_System_of_the_Bluebird_Car.html
Print this Page | Comments | Reading(3)
Code: