Published:2011/5/9 0:05:00 Author:Borg | From:SeekIC

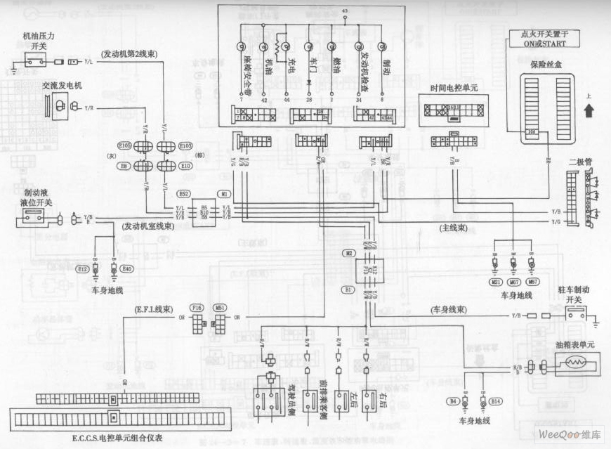
The No.2 Warning Lamp Circuit of the Bluebird Car
Reprinted Url Of This Article:
http://www.seekic.com/circuit_diagram/555_Circuit/The_No2_Warning_Lamp_Circuit_of_the_Bluebird_Car.html
Print this Page | Comments | Reading(3)
Code: