Published:2011/6/21 1:40:00 Author:Seven | Keyword: typical application circuit | From:SeekIC

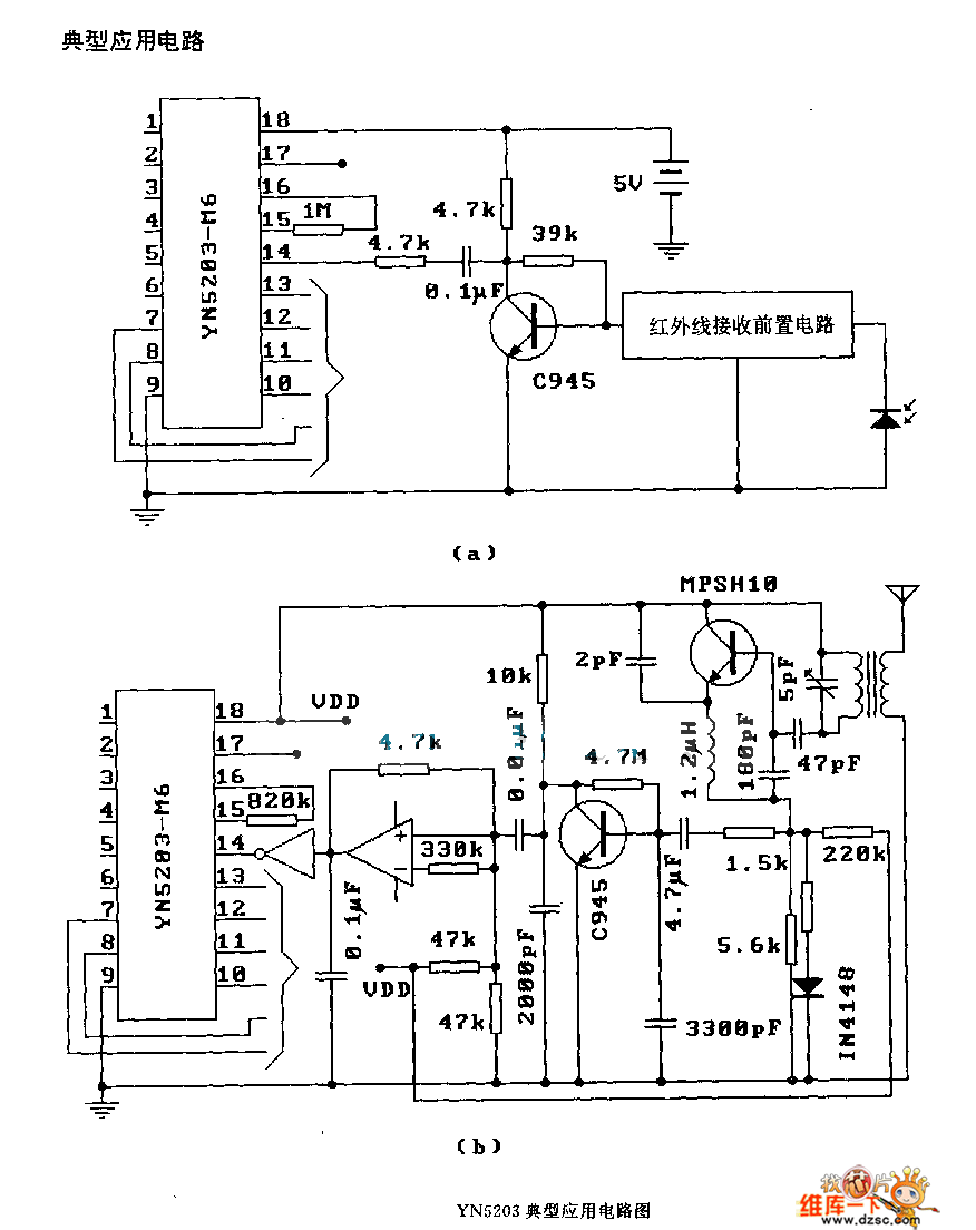
The YN 5203 typical application circuit
Reprinted Url Of This Article:
http://www.seekic.com/circuit_diagram/555_Circuit/The_YN_5203_typical_application_circuit.html
Print this Page | Comments | Reading(3)
Code: