Published:2011/4/20 3:29:00 Author:Ecco | Keyword: delay circuit , "watchdog" , 555 | From:SeekIC

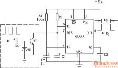
The circuit used to be a power-delay control circuit, the delay time is decided by the timing components Rl, C1. However, with a watchdog circuit, you can use it as monitoring circuitforsome applications.
Reprinted Url Of This Article:
http://www.seekic.com/circuit_diagram/555_Circuit/The_delay_circuit_with_watchdog_composed_of_555.html
Print this Page | Comments | Reading(3)
Code: