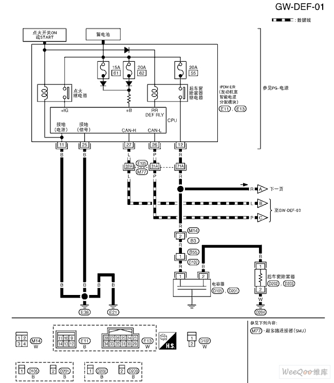
Published:2011/7/14 23:18:00 Author:Fiona | Keyword: rear window demister | From:SeekIC

Reprinted Url Of This Article:
http://www.seekic.com/circuit_diagram/555_Circuit/Tiida_rear_window_demister_circuit_Figure_1.html
Print this Page | Comments | Reading(3)
Code: