Published:2011/6/21 0:27:00 Author:John | Keyword: varactor diode, MOSFET active preselector | From:SeekIC

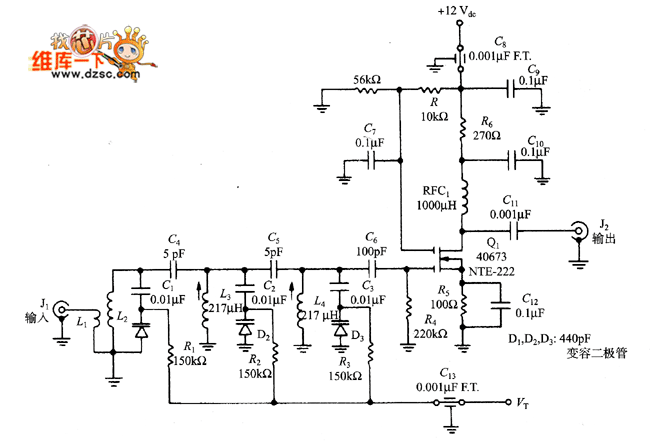
Varactor diode adjusting MOSFET active preselector circuit is shown.
Reprinted Url Of This Article:
http://www.seekic.com/circuit_diagram/555_Circuit/varactor_diode_adjusting_MOSFET_active_preselector_circuit.html
Print this Page | Comments | Reading(3)
Code: