Published:2009/7/13 1:41:00 Author:May | From:SeekIC

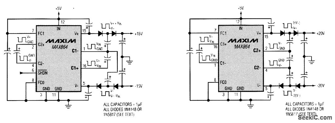
A low-power converter of 5 to ±20 V can be made surprisingly small by enhancing a dual-output charge-pump IC with an extra boost stage composed of discrete diodes. Such supplies are useful for LCD power supplies, LCD bias, and varactor tuners. The MAX864 on its own can generate ±10 V (minus load-proportional losses) from a 5-V input, or ±6.6 V from a 3.3-V input. Using additional diode-capacitor stages, these outputs can be doubled again to approximately ±4Vin or multiplied by 1.5 to approximately ±3Vin. Note that the external diode/capacitor network connects to C1 for ±15-V outputs or to C2 for ±20V outputs.
Reprinted Url Of This Article:
http://www.seekic.com/circuit_diagram/A-D_D-A_Converter_Circuit/±20_V_CHARGE_PUMP_BOOST_CONVERTER.html
Print this Page | Comments | Reading(3)
Code: