Published:2009/7/20 4:03:00 Author:Jessie | From:SeekIC

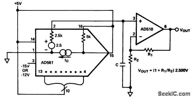
10-bit D/A converter with precision low-noise reference (courtesy Analog Devices, Inc.).
Reprinted Url Of This Article:
http://www.seekic.com/circuit_diagram/A-D_D-A_Converter_Circuit/10_bit_D_A_converter_with_precision_low_noise_reference.html
Print this Page | Comments | Reading(3)
Code: