Published:2009/6/30 2:21:00 Author:May | From:SeekIC

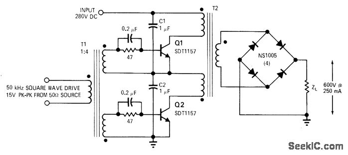
Cascode push-pull transistor switch conversion circuit uses low-voltage transistors and provides automatic equalization of transistor storage time. Drive-signal input to cascode push-pull switch is symmetrical 50-kHz 15 V P-P square wavefrom 50-ohm source. Q1 and Q2 each see only haff of DC source voltage because C1 and C2, in series across 280-V input, charge to 140 V each. Circuit is adaptable to wide range of output voltages and currents because identical units can be connected in series or parallel to obtain desired rating.—L. G.Wright and W. E. Milberger, HV Building Block Uses Series Transistor Switches, EDN Magazine, Feb. 15, 1971, p 39-40.
Reprinted Url Of This Article:
http://www.seekic.com/circuit_diagram/A-D_D-A_Converter_Circuit/280_V_T0_600_V.html
Print this Page | Comments | Reading(3)
Code: