Published:2009/7/16 3:39:00 Author:Jessie | From:SeekIC

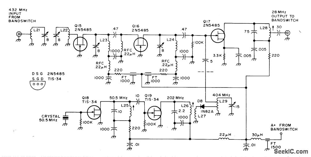
Contains bandpass filter, grounded-grid RF amplifier stages Q15-Q16,mixer Q17、and crystal oscillator Q18-Q19,Developed for use in all-band double-conversion superheterodyne receiver for AM narrow-band FM, CW, and SSB operation. Supply is 13.6 V regulated Article gives all circuits of receiver,-D. M. Eisenberg, Build This All-Band VHF Receiver 73Magazine, Jan 1975、p 105-112
Reprinted Url Of This Article:
http://www.seekic.com/circuit_diagram/A-D_D-A_Converter_Circuit/432_MHz_TO_28_MHz.html
Print this Page | Comments | Reading(3)
Code: