Published:2009/7/7 4:37:00 Author:May | From:SeekIC

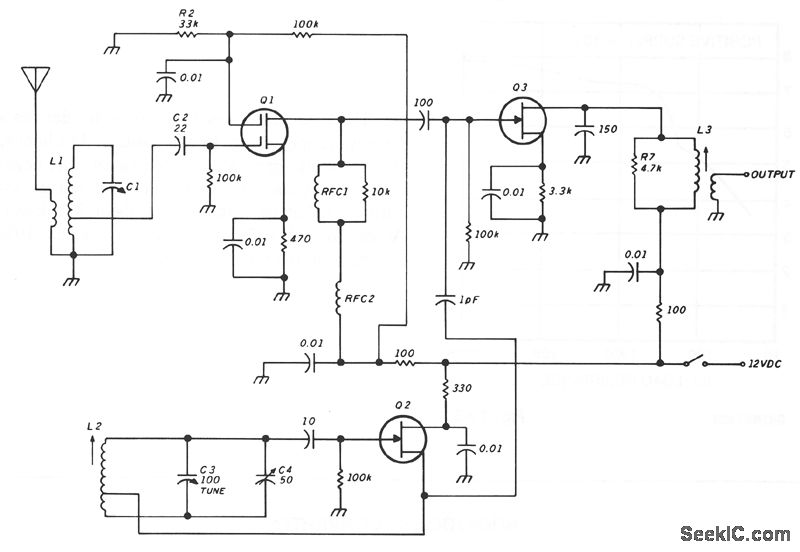
The unit consists of rf amplifier Q1, local oscillator Q2, and mixer Q3. The two bands are covered without a bandswitch by using an i-f or 3.5 MHz. The oscillator range is 7.5 to 14.5 MHz. Incoming signals from 4 to 11 MHz are mixed with the oscillator to produce the 3.5-MHz i-f. Signals from 11 to 18 MHz are mixed with the oscillator to also produce an i-f of 3.5 MHz. At any one oscillator frequency, the two incoming signals are 7 MHz apart. Rf amplifier input C1/L1 comprises a high-Q, lightly loaded, tuned circuit; this is essential for good band separation.
Reprinted Url Of This Article:
http://www.seekic.com/circuit_diagram/A-D_D-A_Converter_Circuit/4_18MHZ_CONVERTER.html
Print this Page | Comments | Reading(3)
Code: