Published:2009/7/20 5:17:00 Author:Jessie | From:SeekIC

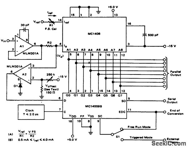
8-bit successive-approximation A/D converter (courtesy Motorola Semiconductor Products Inc.).
Reprinted Url Of This Article:
http://www.seekic.com/circuit_diagram/A-D_D-A_Converter_Circuit/8_bit_successive_approximation_A_D_converter.html
Print this Page | Comments | Reading(3)
Code: