Published:2009/7/6 3:30:00 Author:May | From:SeekIC

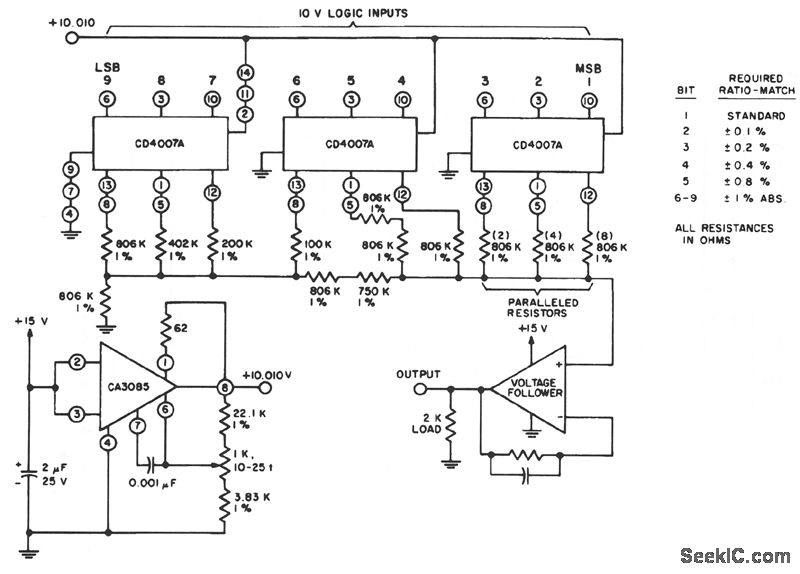
Three CD4007A IC packages perform the switch function using a 10-V logic level. A single 15-V supply provides a positive bus for the follower amplifier and feeds the CA3085 voltage regulator. The scale adjust function is prodded by the regulator output control, which is set to a nominal 10 V in this system. The line-voltage regulation (approximately 0.2%) permits 9-bit accuracy to be maintained with a variation of several volts in the supply. System power consumption ranges between 70 and 200 mW; a major portion is dissipated in the load resistor and op amp. The regulated supply provides a maximum current of 440 μA of which 370 μA flows through the scale adjusting. The resistor ladder is composed of 1% tolerance metaloxide film resistors. The ratio match between resistance values is in the order of 2%. The follower amplifier has the offset adjustment nulled at approximately a 1 V output level.
Reprinted Url Of This Article:
http://www.seekic.com/circuit_diagram/A-D_D-A_Converter_Circuit/9_BIT_CMOS_D_A_CONVERTER.html
Print this Page | Comments | Reading(3)
Code: