Published:2009/7/17 3:52:00 Author:Jessie | From:SeekIC

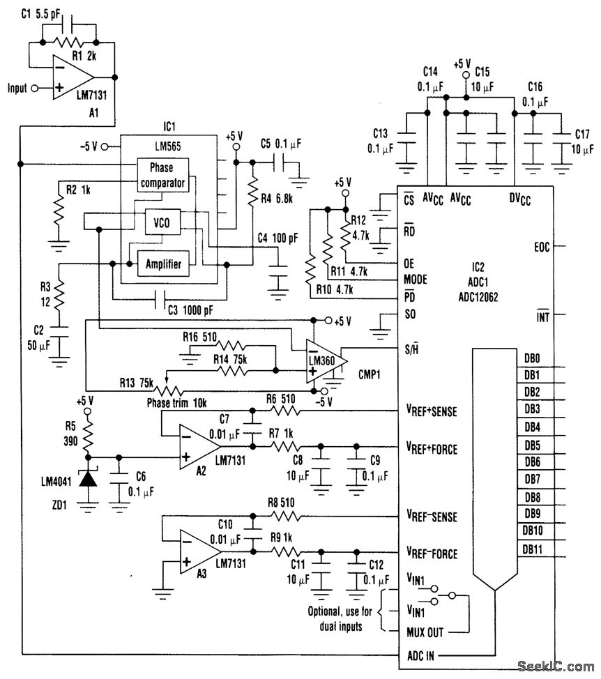
Digital radio techniques promise to dramatically enhance receiver capabilities. Directly converting the IF (intermediate frequency) to a digital signal facilitates digital signal processing of demodulated signals. The example described here features an AM radio detector circuit for the typical IF of 455 kHz. For RF demodulation, the input is sampled at a rate exactly equal to the input-signal frequency. The digital output signal, which is actually an alias of the input, is the recovered modulation.
Reprinted Url Of This Article:
http://www.seekic.com/circuit_diagram/A-D_D-A_Converter_Circuit/ADC_CONVERTER_SYNCHRONOUS_DEMODULATION.html
Print this Page | Comments | Reading(3)
Code: