Published:2009/7/11 3:28:00 Author:May | From:SeekIC

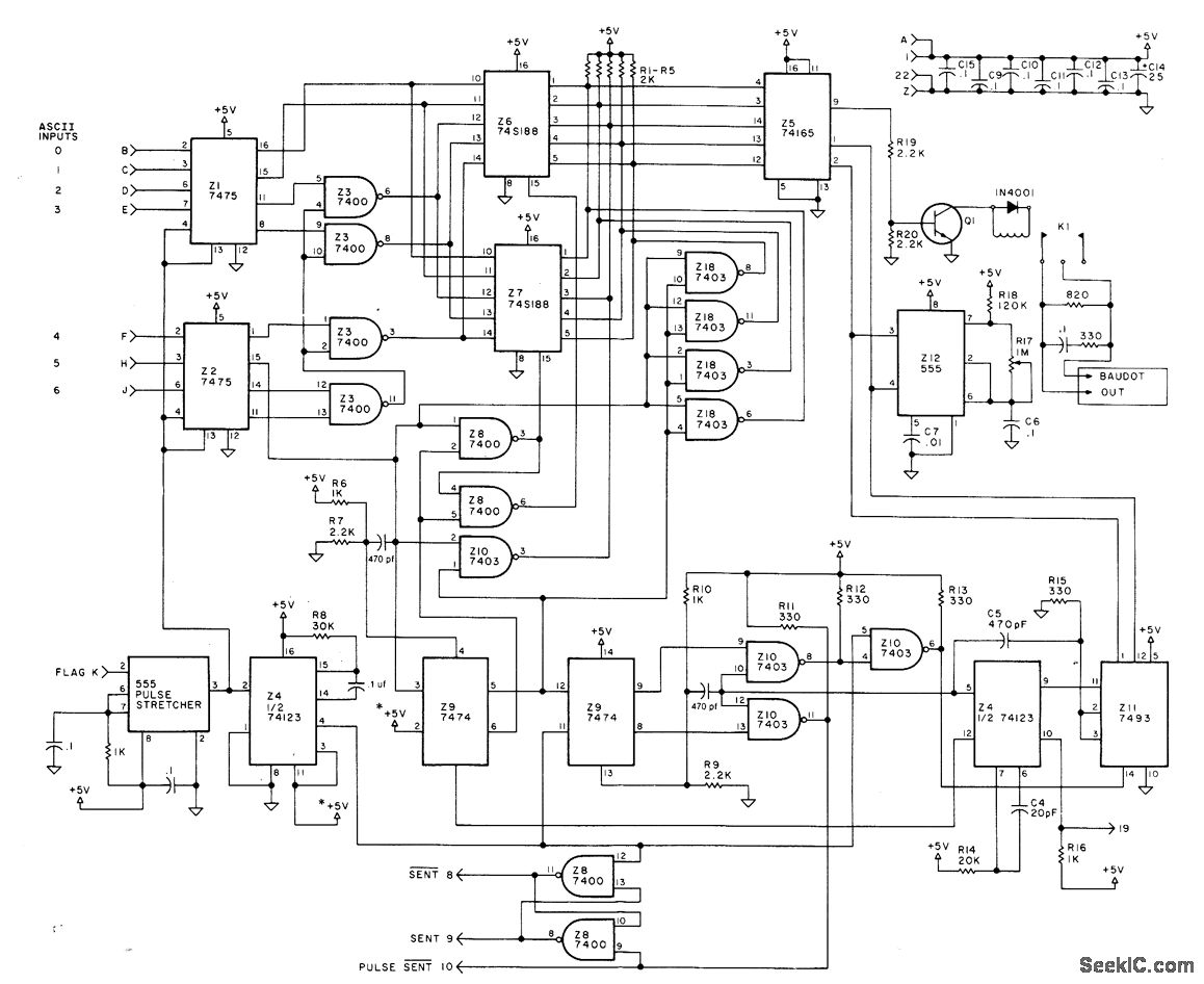
Converts parallel ASCLL output of keyboard to serial Baudot format for driving Baudot teleprinters.conversion circuit can save several hundred bytes of computer or microprocessor storage,making this memeory space available for other purposes Article gives conversion table for for all capital and lowercase alphabetic characters,numeric,and punctuation.-J.ALehman and R.Graham,ASCLL to Baudot...er...Murray(the Hard Way ),Kilobaud,June 1978,p 80-83.
Reprinted Url Of This Article:
http://www.seekic.com/circuit_diagram/A-D_D-A_Converter_Circuit/ASCLL_TO_BAUDOT_CONVERTER.html
Print this Page | Comments | Reading(3)
Code: