Published:2009/6/17 4:28:00 Author:May | From:SeekIC

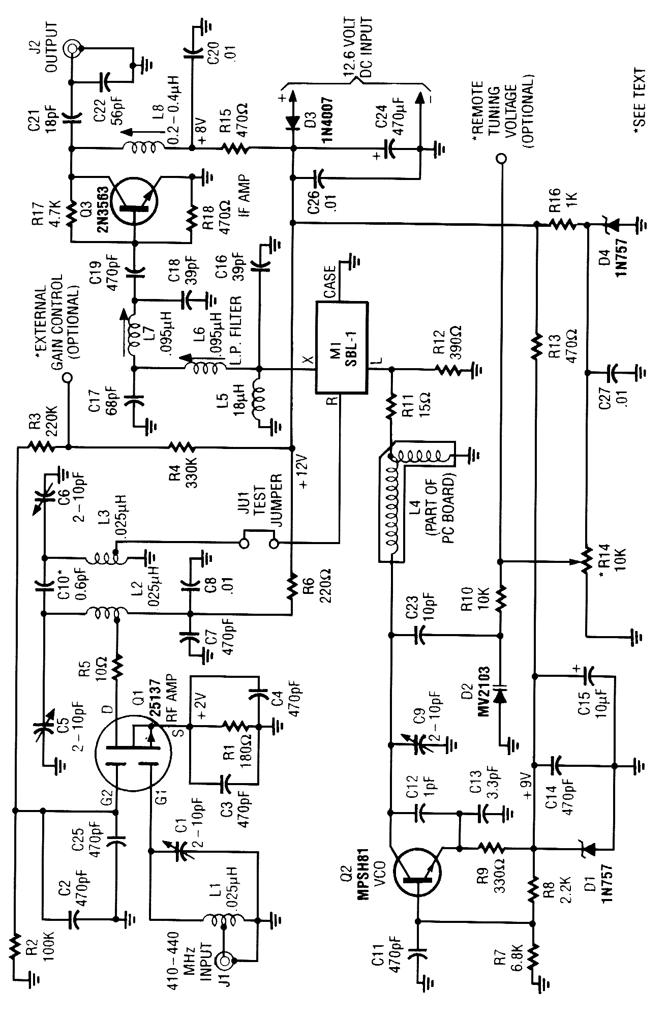
This RF converts amateur TV signals in the 420- to 450-MHz region to VHF channel 3 or 4, allowing reception of those signals on a standard TV receiver. RF amplifier Q1 feeds mixer M1, and Q3 acts as an IF amplifier. Q2 is an oscillator operating around 378 MHZ and is tuneable over about a 30-MHz range. A complete kit is available from North Country Radio, P.O. Box 53, Wykagyl Station, NY 10804
Reprinted Url Of This Article:
http://www.seekic.com/circuit_diagram/A-D_D-A_Converter_Circuit/ATV_DOWNCONVERTER.html
Print this Page | Comments | Reading(3)
Code: