Published:2009/7/16 21:06:00 Author:Jessie | From:SeekIC

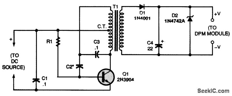
Often a digital panel meter is used in an application where the meter is on the hot side of a Circuit This supply will provide the 9-to 12-Vdc floating supply for the meter.
Reprinted Url Of This Article:
http://www.seekic.com/circuit_diagram/A-D_D-A_Converter_Circuit/DC_TO_DC_CONVERTER_FOR_DIGITAL_PANEL_METERS.html
Print this Page | Comments | Reading(3)
Code: