Published:2009/6/22 23:53:00 Author:Jessie | From:SeekIC

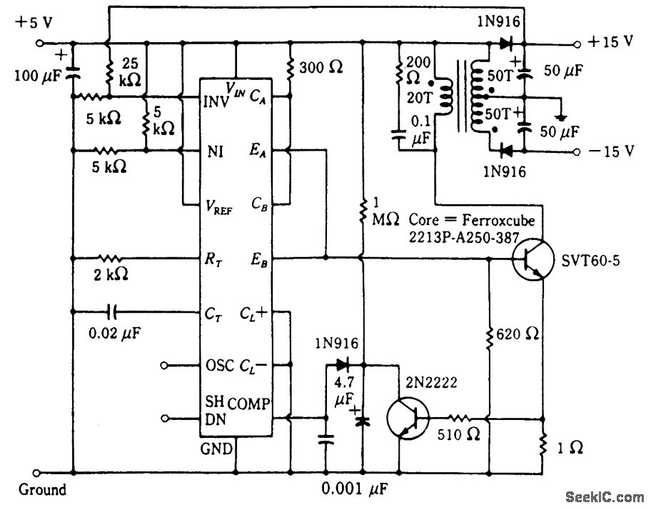
This circuit uses an SG1524 Silicon General regulating pulse width modulator and provides ±15 V from a 5-V supply rail.
Reprinted Url Of This Article:
http://www.seekic.com/circuit_diagram/A-D_D-A_Converter_Circuit/DRIVEN_FLYBACK_CONVERTER.html
Print this Page | Comments | Reading(3)
Code: