Published:2009/7/20 5:14:00 Author:Jessie | From:SeekIC

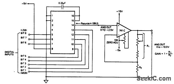
D/A convener with output buffer. VOUT is directly proportional to the digital input.R2 should be less than or equal to 650K to assure good temperature compensation. Metal film 1% resistors and 100 PPM/℃ trimmers are recommended. For fast settling time use a Datel AM-452 buffer. To calibrate apply continuous start commands to the start input (pin 3). Set all bits to logic zero and vary the zero adjust pot until VOUT is zero. Set all bits to logic one and vary the gain adjust pot until VOUT is equal to the nominal FS-1 LSB, where LSB is equal to FSR/256 (courtesy Datel Systems, Inc.).
Reprinted Url Of This Article:
http://www.seekic.com/circuit_diagram/A-D_D-A_Converter_Circuit/D_A_convener_with_output_buffer.html
Print this Page | Comments | Reading(3)
Code: