Published:2013/12/12 20:17:00 Author:lynne | Keyword: Double Forward Converter circuit, | From:SeekIC

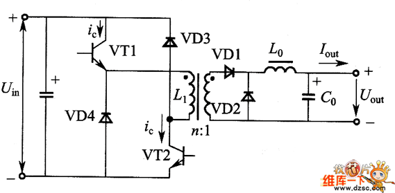
Double Forward Converter circuit shown in Figure:
Reprinted Url Of This Article:
http://www.seekic.com/circuit_diagram/A-D_D-A_Converter_Circuit/Double_Forward_Converter_circuit.html
Print this Page | Comments | Reading(3)
Code: